保健產品
產品介紹
保健食品
好視界 SUPER VISION
金納豆 Plus II
A3 PLUS 木寡糖
A3+Q 天然海藻 DHA
甜菜根晶粉末食品
有機甜菜根晶粉末食品
有機胡蘿蔔根晶粉末食品
有機奇亞籽
有機西印度櫻桃汁粉末
有機小麥草粉
有機甜菜根粉
機甜菜根優蛋白堅果奶
麥苗鮮蔬高鈣粥
潤喉爽Q果
52蔬纖LALA錠
德國水解膠原蛋白
有機甜菜根精力湯
有機高鈣12蔬穀奶PLUS
標達二十四酵綜合酵素原液
標達Pharmocare 820 COCO MCT椰子油
黑糖金好麥
生機奇亞籽
薑黃粉
有機蔓越莓(全果萃取)
標達枇杷羅漢果軟糖
標達Ca+D鈣膠囊
杏仁芝麻餅
有機大麥若葉
蒟蒻Q果凍 梅子口味
甜菜根晶(固体饮料)
标达西印度针叶樱桃汁粉(固体饮料)
标达胡萝卜根晶(固体饮料)
标达善玉菌(固体饮料)
标达纳豆菌固体饮料
红糖高钙植物奶(固体饮料)
甜菜根晶檢驗書
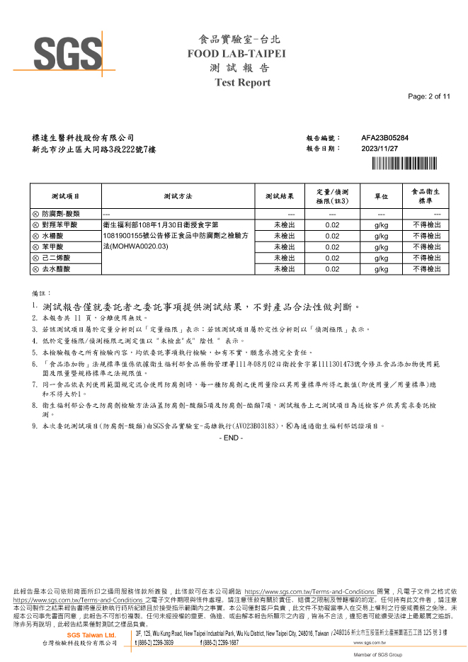
SGS檢驗報告書
食工所檢驗報告書
原廠苯甲酸檢驗報告書
木寡糖檢驗書
SGS檢驗報告文件
原廠授權
好視界商標授權書
銷售通路商
BuDer
®
标达西印度针叶樱桃汁粉(固体饮料)
配料:针叶樱桃果汁粉、柳橙汁粉
净含量:1.6g×30包入 / 盒
食用方法:取1包西印度针叶樱桃汁粉放入容器中,加入适量温水,或加入果汁等饮品,搅拌均匀即可饮用。
建议售价:RMB249
国际条形码:4170981240406
原料通过有机认证
通过SGS农药残留检验等
西印度樱桃:因产地 季节因素会有颜色差异 但不影响维生素C的含量 请安心食用!
贮存条件:请于干燥室温环境下保存
生产企业在华注册编号:有效✓
本产品不能代替特殊医学用途配方食品、婴幼儿配方食品、保健食品等特殊食品
营养成分表:
© 標達生醫科技股份有限公司版權所有 © 2016, BUDER SYSTEM TECHNOLOGY CO., LTD. All Rights Reserved